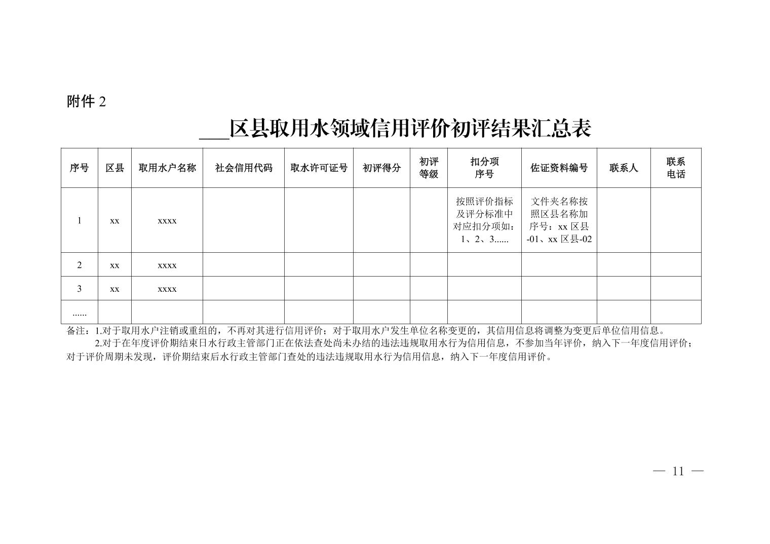
重庆市水利局 重庆市发展和改革委员会关于印发《重庆市取用水领域信用评价工作方案(试行)》的通知 无 分享11 0 全文下载:重庆市水利局 重庆市发展和改革委员会关于印发《重庆市取用水领域信用评价工作方案(试行)》的通知.pdf